Linnhoff Kabelboxen - Kabelbox für Heisskanalwerkzeuge
Download Kontakt Impressum Datenschutz
Linnhoff Kabelboxen - Kabelbox für Heisskanalwerkzeuge


 

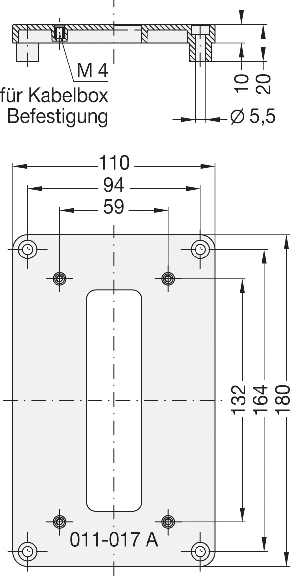
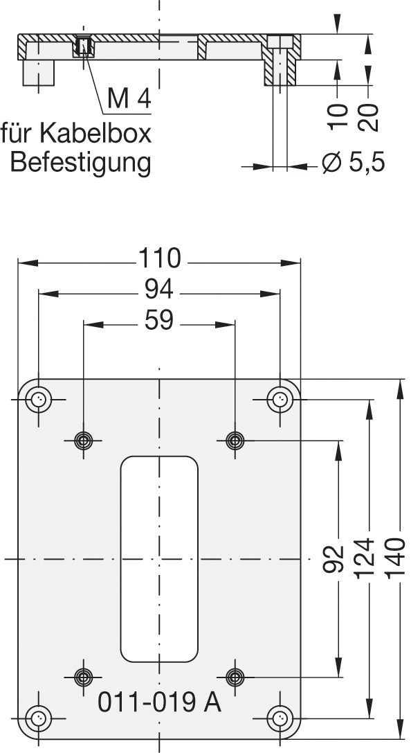
Zubehör
Distanzplatten

Die Distanzplatten sind bis zu 160° C temperaturbeständig.
Die 10 mm hohen Abstandsnocken gewährleisten eine gute Durchlüftung.
Dadurch wird Stauwärme zwischen Kabelbox und Werkzeug vermieden.

 
   
 
für Größe 1 für Größe 2 für Größe 3 für Größe 4